*开工带隔离探针(700929或701947)
*二叉带/HD0或/HD1选项
DL850级数组模块化波形记录工具可同时测量电压、电流、电压、电压、电压加速化等高速采样、高隔离电压和多通道测量DL850Series为节能设备开发、评价和质量控制提供强力支持
高速(100MS/s)、高分辨率(12比特)、1kV隔离测量*
横川IsoPRO技术以最高速度提供行业领先隔离性能soPRO核心技术设计时考虑节能应用性能提高高效反转器使用高电压、大流高操作速度
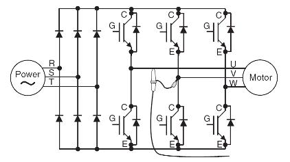
实例-测量逆序输出
精确观察逆序启动波状并有足够的时间解析可确认未发生过量溢出
![]() |
高速高站电压技术 | |
![]() |
模块使用高速光纤传输实现高速ADC时钟和数据隔离 720210高速100MS/s12Bit隔离模块4(4)模块可安装到主单元中 |
![]() |
上升波形未完全捕捉
|
上升波形精确捕捉
|
示例:相同的逆序输出波形测量为10MS/s和100MS/s
阵列包括2个新模块类型:16-CHTERP./Voltage输入模块和CAN&LIN总线监视模块所有DL850模块可与DL750序列产品计量模块合并
|
|
注:使用16-CHTERM./Voltage输入模块(720221)和/或CAN&LIN总线监测模块(720241)时需要2.00或以后版本
16-CH电荷输入模块(scanner类型*)可测量10ks样本率,即使使用所有16个通道模块填充所有8个输入模块槽后DL850执行128-CH电压测量
逻辑输入模块支持从TTL层次到高压接触关闭达10MS/s*8逻辑模块DL850可监控并捕捉128位逻辑
实例:计量多输出电源启动序列
家用计算电子机使用电源多项输出,并有必要控制从输出到输出的顺序。多通道模块中,你并不限于电压测量单单元还可以测量从PC控制信号到AC扇操作、单个组件温度和慢速高速信号等一切
![]() |
Ch1:AC输入电压 Ch6供应电压 Ch2:引用电压 Ch3重置信号 ![]() Ch1:范式旋转 16位逻辑控件信号
4比特逻辑:串行通信
|
![]() |
可视化耐用测试等情况的长期趋势,通常以低速采样率获取数据。另一方面,突发过渡性现象应该以高速采样率捕捉
双抓特征用两种不同采样率记录解决这些冲突性需求


实例:部件可操作性测试
汽车和其他运输工具所使用的零件必须高度可靠双抓函数对温度不等的连接器进行振动测试时非常有效
高速度重复测量时发现异常现象时,异常点常在按停时从屏幕上消失
惯用性,“历史函数”自动将长内存划分为5千个可在任何时候重演的“历史波状”。
提取异常波形
|
![]() |
搜索历史波形
想要完全提取异常现象时,可按条件搜索历史波状屏幕上可创建矩形带并提取流经或非流经波形也可以提取基于放大参数和其他参数的数据
检查历史![]() |
显示所有过去的波形并查看ml1ms分辨率获取时间列表 |
| 密钥点 历史函数测量时不需动作测量完成后随时可回溯数据等波形恢复后,你可缩放感兴趣的位置或执行参数测量 |
DL提供易用简单触发器或允许组合各种增强式触发器以获取更多先进性
增强触发条件自觉搭建先进易理解图形用户界面

Encanced实战
示例:延迟B触发屏
window触发程序有助于诊断典型电源故障,如瞬间损耗、沙格和溢出支持AC波状40至1,000赫兹参考波模式(实时模板)与当前波模式比较,如果当前波模式超出允许范围则启动触发参考波形实时自动生成前波形
*波窗口不显示在显示器上 |
要捕捉不常发生的现象,可使用“触发动作”执行多项动作,当触发发生时预言数数例数例数例数例数例数例数例数例数例数例数例数例数例数例数例数例数例数例数例数例数例数例数例数例数例数例数例数例数例数例数例数例数例数例数例数
![]() |
可指定“e-mail传输”,供在偏僻位置发生事件时立即通知 |
|
|
优异噪声拒绝性能通过精密低噪声设计实现浮电转换回路波表也可以精确捕捉
![]() |
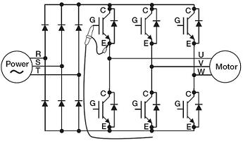
示例:测量逆向门信号![]() |
70125伏输入模块
|
DL850配有专用DSP(数字信号处理器)计算工具,允许波形捕捉时通道间数学通道间计算功能强 因为它们可分解FiLiter计算除FIR、IIR、Gaos和移动平均数字Filers外,你还可以使用最大35方程,如算法加系数、积分差分和高阶方程
| 示例3级功率计算 | |
| 功率计算成电压积分并随时间流(平均基于周期计算)。实时数学函数可实时显示三相四线电波 | ![]() |

| 密钥点 计算即时发生 即使是滚动模式计算波形还可用于激活触发器 空位可用实时数学去fition预计算波形和后计算波形可同时分解 |
DL标准运算算法、时移法、FFT计算法和其他计算法,使你能够显示波形偏移法和scew校正法用户去菲计算法(/G2选项)使用差分积分组合计算方程计算法,数字fiters计算法和富余其他函数生成方程
用户定义计算设置屏幕

| 示例:用FFT放大分析 | |
| 用户defi定值计算函数(选项)包含中,您可使用两个FFT窗口执行各种FFT分析在振荡测试等应用中,你很容易评估异常振荡同时测量其他信号 | ![]() |
| 密钥点 可分配日志级频率轴 |
提取并显示32项参数包括延迟)并发菜单可显示为易读图标列表
| 统计计算 | |
| DL可自动提取循环波形并查找标准偏差和其他统计算法也可以用历史波形实现 | ![]() |
DL可判定波形参数相匹配或不满足预设条件判断测量结果后,执行预置动作并通知用户观察到异常波形以及出入/故障
判定性这对于研究电子设备制造线信号和追踪异常现象等功能非常有用
| 实例:评价汽车创业特征 | |
![]() |
参数测量取时间直到马达启动后实现参考RPM并随后确定GO/NO-GO/Lass/Fail |
![]() |
跨多L850单元同步测量通过输入IRIG时间代码信号实现。*DL850/DL850V内部时表与IRIG信号同步因此,计时比较是非常精确的,即使在长段持续记录时也是如此 |
| 密钥点 可连接商业GP接收器远程定期观察IRIG输出并使用时间触发函数 |
实例:大型运输车辆同步测量同时测量双翼或火车行车间均需同步多项测量仪表单IRIG电缆获取时间不变
irig内部仪表组启动为美国军事标准,目前用于航空航天工业数据记录器载波频率为1khz/10kzASK调制信号,同步精度达1850支持格式:A002、B002、A132、B122
| 外部硬盘接口可连接商业可用eSATA标准硬盘DL可实时记录外部驱动像内置硬盘一样保存波形后,您可立即将DL850/DL850V从PC切换到外部驱动器并立即使用波形数据 | ![]() |
密钥点
实时硬盘存取速度取决于硬盘性能 |
可使用 XY显示确认2信号之间的关系可应用到相位角二弦波
可选择 X和Y轴四种组合,并同时显示多X-Y波形并查找关系
同步观察X-Y波形和普通T-Y波形(波形显示电压和时轴)也是可能的
示例:磁性物质的计算动态BH特征OnDL850可测量电压和电流,然后分析磁性通量密度B和磁场强度H的歇斯底里磁约束产生的能源损耗可以通过测量动态BH特征来评价。

磁通量密度:B=整数C1/K1*K2
磁场强度:H=C2*K1/K3
C1:电压C2:电流
K1:转圈数k2:跨段
K3磁电路长度
sNAPshot键推送后,您可保存测量波形(波形显示屏幕上)的Snapshotwordform仍然保存,即使你重新启动测量,因此很容易比较快照和新测波法抓图也可以保存并装入文件
![]() 可比较波形条件不一 |
示例:快照波形(white)与另一波形比较 |
![]() 可操作控件并用Web浏览器获取屏幕图像-PC不需要特殊软件 |
web服务器函数显示网络化DL850/DL850V通过Ethernet从此屏幕上可远程启动或停止测量,更新DL显示并抓取屏幕快照(抓取图像)。 |
![]() |
adhesive前端键标签表(“分组标签表”)可用八种语言提供多语言支持菜单和报错信息 |
![]() 屏幕保存媒体图像显示为缩略图易识别 |
屏幕图像可用PNG、JPEG或BMP格式保存成精度ed存储介质屏幕图像可导入报表或其他PC生成文档 |

DL850V运量编程使用CAN总线模块(722040)或CAN & LIN总线模块(72241(*1))可显示CAN-和/或LIN-协议通信数据为显示趋势波也可以触发解码波形通过识别车辆安装局域网通信数据与电压、温度和传感器信号或ECU控制逻辑信号等模拟数据之间的相互关系,车辆总体局域网系统可以评价此外,用/DC选项,DL850V除普通AC功率外,还可以用像汽车电池等DC功率驱动
CAN & LIN总线模块(模型720241)得到主件固件ver支持或2点后
数据使用总线监视模块(720240或720241)获取时,不仅可以用数字代码说明(十六进制或数字化),还可以从网络定义文件(CANDB或LINLDF)加载数据
| 实例比较验证测量信号和CAN总线信号 CAN总线数据物理值和相应的测量波形同步同步举个例子,点火开关OFF信号、对应命令的CAN信号和由压力传感器测量的实际信号等可在同一屏幕上显示并检查,验证这些信号的关联性 |
|
DL850V车辆版可用12VDC电池、车辆打火机或普通AC电源驱动向DC开机提供配件可见目录尾端附件列表 。 )


照片:DL850V/DC选项模型
*1 硬盘和外部硬盘IF无法同时使用
2 当IRIG(/C20)选项指定时,GP_IB也可以使用

温度/高精度电压模块(2ch)
热电联想(K、E、J、T、L、U、N、R、S、B、W、铁覆金/chromel)高敏感度范围(1mV)和低噪声
适用于DL350、DL850序列、DL950和SL1000
strain模块 Sunt校准,类型DSUB2通道合并使用701957或701958DSUB桥头
使用线段模块和线段测量器ServiceCorder可检测并显示机械应力原理是金属块的抗值随扩展和契约变化
适用于DL350、DL850序列、DL950和SL1000
频段模块(2ch)
测量函数频率(Hz)、RPMs、RPS、周期(sec)、任务周期(%)、供电频率(Hz)、脉冲宽度(sec)、脉冲集成和速度
产品不符合ROSS的要求(限制有害物质指令)
高频100MS/s12Bit隔离模块(2个通道)
IsoPRO技术使1kV隔离测量与700929或701947探针相联并设计并面向倒置器/IGBT相关应用模块使用高速光纤传输实现高速ADC时钟和数据隔离并提供开发高效反转器所需的性能,这些反转器使用高电压、大流并不断提高切换速度