DLM5000HD高定义横波测试和测量新标准
多通道测量达16通道
单次DLM5000HD测量8个通道并发,同时连接两个仪表将同步测量扩展至16个通道,以便通过单次测试实现评价

宽带宽度测量
感想性现象如高速反射器上升无法用低带宽脉冲镜验证DLM5500HD组合宽带宽达500兆赫并采样率达2.5GS/s
12Bit高分辨率
12位混合信号脉冲测量事件,如超拍后按键精度令人印象深刻最优范围设置可精确捕捉分钟变化,同时检查波形全图
最高2.5GS/s,最高1G点内存
DLM5500HD存储容量单位达500M分和重复模式125M分
记录最长长度
#1:奇数通道#2DLM5000HD
大选择触发器
DLM5000HD大触发点提取兴趣波状并存储历史存储显示历史波形列表以观察触发间或数波形以识别特征点周围趋势以确定特征波形发生频率或条件
稳定可靠目的搭建系统

12.1in Intuitive, Highly-Responsive Touchscreen
大型自觉高响应触摸屏可用于详细观察模拟信号并显示信息调试像参数、缩放显示器、XY显示器和FFT分析结果
紧凑性、轻重和可移植性
多通道输入大屏幕,DLM5500HD便捷薄轻量设计
快速启动
DLM5000HD从OF12秒后启动波形显示
连接PC
常因高CPU处理能力而提高使用PC分析的效能和效率DLM5000HD综合测试测量软件平台实现多波形电量测量结果和强分析能力
DLM500/DLM5000HD比较
dlmync/SY或/SYN
连接两个DLM5000HD序列模型(带/SY或/SYN选项)和专用电缆(701982)可同步测量达16个通道抓取波形显示单元,触发操作常用项,常用项(记录长度、样本率、获取率、水平轴设置)像单16脉冲镜片链连接四道模型的可能性双同步工具连通,部分操作由主单元和子单元共享举例说,如果放大主单元或子单元波形,则对等单元波形将自动缩放同一点测量数据分批输出后,可同时检查16个通道和IS8000综合软件平台
IEEE1588综合测量大师
DLM5000HD可设置为主单元使用IEEE1588实现时同步测量函数连接局域网测量工具互连,而没有同步通常需要的专用电缆或复杂设置,用户可轻易启动同步测量使用网络HUB,确定使用IEEE1588支持版本。所有测量数据和结果都可用同时轴综合分析IS8000综合测试测量软件平台
历史搜索
自动用DLM5000HD序列保存前捕波形,最多可存20万前捕波形存取存储器显示屏幕上一个或多个先前捕获波形(历史波形)并执行光标测量、计算和其他操作用户可以分析少发异常信号,即使难以找到合适的触发条件,因为波形不常态多直觉搜索方法也可用例举,您可指定矩形带捕捉屏幕波形的一部分,覆盖全测波形或多边形区已知兴趣值,如电压异常值或脉冲宽度,可使用波形参数搜索历史波形

缩放搜索
多通道波状记录长内存需要垂直横向缩放详细查看触屏加专用缩放键和knob允许快速缩放您想看到的方面。您可同时显示两个带不同时轴尺度的缩放波状并使用自动滚动自动扫荡波形能力同时缩放两个远程点(像事件“原因”和“效果”)或用不同的缩放因子显示这些因子对软件调试非常有用用户还可用多重标准自动查找并缩放波形特征供进一步检验发现波形位置在屏幕上标注

逻辑信号测量分析
配有16比特逻辑输入标准使用/L4和/L32选项可测量32个逻辑信号并提供总线/状态显示和可选DA计算函数(用于AD/DA转换器评价)

滤镜
实时滤波优化减少噪声支持从8khz至200MHz等多种频率14个低传递滤波从8khz到200MHz不等,波形在存储存储前过滤实时滤波可稳定触发叠加噪声信号
用户定义数学选项(/G2或/G02)
等式可任意生成,使用一组运算符,如三角对数运算符、集成和差分化符、脉冲宽度运算符、相位测量和数对数转换
供电分析选项(/G3或/G03)
切换损耗分析 :计算切换损耗v(t)xi(t)s各种开关损耗分析都得到支持,包括开关损耗计算、持续损耗和50Hz/60Hz长周期损耗功率参数测量测量电量参数自动达四对电压和电流波形,如主动电量、表面电量、电因子等循环统计和历史统计也可以计算

高压开关电机/电路开发
高清晰度脉冲DLM5000HD是测量反转器快速切换的理想八道同步测量2.5GS/s带宽达500MHz并提供高精度解析12位分辨率此外,DLMSync使两个DLM5000HD串行模型的非复杂连通性允许通过多点测量同时完成所有评价测试SW损耗数学函数有效反向描述并提供强分析支持高压全线配件可用

汽车电子控制单元和机电嵌入式设备开发
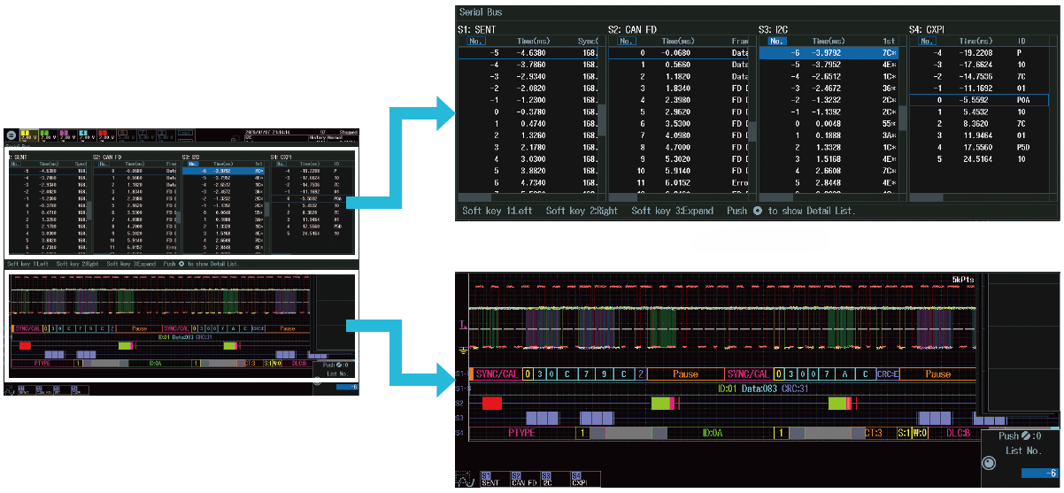
单靠逻辑输入数字波形分析无法显示异常点,如电压流、噪声、变形或铃声并测量升降时间电子控制单元测试要求严格检查所有数字波形和模拟输入通道最适合这项工作多I/O模拟、数字和串行总线波表DLM5000HD为监控8类模拟信道和32位逻辑输入同时执行协议分析,如UART、I2C、SPI、CAN、CANFD、LIN、CXPI、PSI5和FlexRay

电力装配系统评价
评估电源调节系统时,需要用低采样率长时间测量以确定总电量效率然而,有时用户可能想高采样率捕捉事件,如高负载应用时DLM5500HD使用主函数IEE1588高精度时间同步WT5000精度分析器抓取微秒事件不遗漏,WT5000精确测量长段电量效率

UART(RS232)/I2C/SPI/CAN/CANFD/LIN/FlexRay/SENT/CXPI/PSI5空包
车内和嵌入式系统各种串行总线都可选用专用触发分析选项逻辑输入也可以用于I2C/SPI/UART/SENT不需要观察总线波形质量时,使用逻辑输入解码或分析是可能的
唯一自动搭建
Yokawa测试和计量自定义自动设置函数自动分析输入信号或抓取波形和复杂参数,如比特率和阈值并选择秒内最优设置保存时间并强调试特征 比特率和其他参数未知
并发分析
高速同步分析四种不同串行总线以不同速度运行广搜能力提高可用性并允许用户查找长内存中的具体数据双声调试指查看不同的总线并并发调试

频带宽度:CC到120MHz
最大连续输入范围:0.5 Arps/5 Arps/30
函数带数字脉冲器、范围命令器和其他波形测量工具
剪片集设计70098770960和701940探针
频波转换问题:传感器生成正波输出依赖电压输入使用范围或范围命令解码输出 3kV输入传感器
免费软件DL-GATE仅可用于下列产品:DL1700E数组DL7400数组(1.32后硬件版DL1600数组(1.13后硬件版DL750数组.后硬件版)
测试测量工程组可能有不同的优先级和需求,结果往往产生多重仪表系统、数据文件格式以及互不兼容报告集团和工具之间缺乏有效通信导致效率下降和质量下降并增加销路耗时跨工程团队统一测试测量仪表、软件和数据,一套求解方法适应工程团队的不同需求,包括精确电量数据、快速采样率、多输入类型长记录和波形数据洞察
DLM5000HD串行高定义透视器
可适应性是开发高性能智能半导体技术以及现代电车机电控和节能电子设计的关键高分辨率达16比特,课堂最佳启动速度,支持16个通道测量能力,严酷环境高噪豁免,更多,四至八道DLM5000HD串行便于通过丰富的分析特征触摸导航